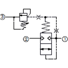
QE系列排氣閥
QE-01 , QE-02 , QE-03 , QE-04M , QE-04 , QE-06快速排氣閥
KXQ0600-01 , KXQ0600-02 , KXQ1000-03 ,
KXQ1500-04 , KXQ2000-06 , KXQ2500-10
KAQ2000-01 , KAQ2000-02 , KAQ3000-02 ,
KAQ3000-04 , KAQ5000-04 , KAQ5000-06SQE系列排氣閥
SQE-02 , SQE-03 , SQ3-04
























